Details du projet

LAG Immeuble Grône

 

  • Articles
  • Détails
  • Suivis
  • Flux de documents

No registered activity

Informations

Status : Terminé

N° de projet : -

N° de commande client : -

Date : 02.07.2025

Contact : Arnaud Bruchez

Entreprise : N/C

Livraison

Adresse : -

Complément : -

Code postal : -

Ville : -

Contact : -

Téléphone : -

Général

Ajouter un document

Glisser / déposer un ou plusieurs fichier ici

ou

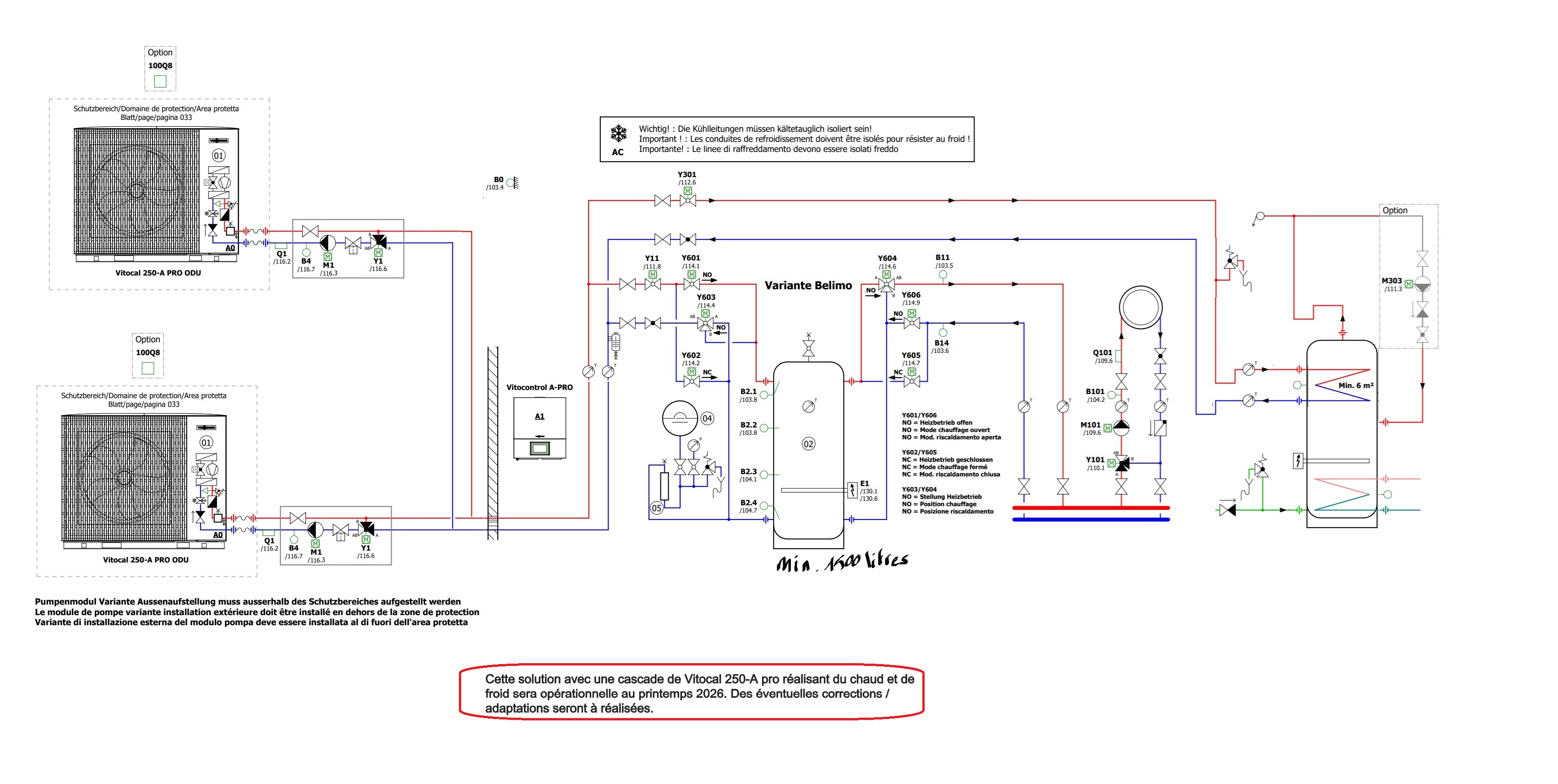
Analyse de conformité ISPAG